Fone: (11) 91028-7853
Valorize seu imóvel novo e tenha mais segurança na entrega. Solicite uma vistoria de entrega de chaves.
O recebimento de imóveis ou vistoria é o momento de garantir que o cliente esteja recebendo da construtora um imóvel em perfeitas condições. Para a aceitação serão realizadas avaliações técnicas para verificar condições do imóvel conforme oferecido e prometido pela a construtora durante a sua apresentação e promessa.
O Objetivo da inspeção é evitar que o cliente não tenha transtornos futuros ou até mesmo prejuízos financeiros relacionados a problemas de obra. Este serviço visa verificar a existência de vícios e anomalias construtivos, além de incompatibilidades com normas técnicas e memoriais de compra.
Este serviço pode ser prestado em qualquer tipo de imóvel, seja ele uma reforma, casa, apartamento ou condomínio. Ligue-nos e tenha um atendimento rápido, personalizado e seguro através de profissionais qualificados.
- Avaliações e parecer técnicos,
- Laudos e ARTs,
– Vistoria geral,
– Avaliação técnica,
– Aprovação do cliente,
– Entrega das chaves,
Atendimento: Atendemos a toda região de São Paulo e Litoral também.
As Built arquitetônico: É o Levantamento arquitetônico total da construção de imóveis, incluindo áreas internas e fachadas. Esse tipo de As Built apresenta as dimensões e as medidas geométricas, bem como traz o detalhamento de materiais empregados em vedações, coberturas e revestimentos. Útil para projetos de reformas, regularização e compra e venda.
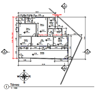
Planta Baixa: A planta baixa é um desenho técnico de um imóvel em escala, visto de cima, que funciona como uma "fatia" horizontal do edifício a aproximadamente 1,5 metros de altura. Ela mostra a disposição dos cômodos, paredes, portas, janelas, e detalhes de mobiliário, fornecendo uma visão clara do layout e do fluxo de circulação dos espaços, o que ajuda arquitetos e clientes a entenderem e planejarem a construção ou reforma de um imóvel.
Nós vamos garantir que o imóvel seja entregue de acordo com o prometido, sem irregularidades e defeitos que possam comprometer sua qualidade, tudo com transparência e segurança a você cliente.
A vistoria garante a entrega de um imóvel em conformidade e promove a responsabilização dos envolvidos, como construtoras e incorporadoras, garantindo o cumprimento de suas obrigações com você.
Proporcionamos a satisfação do cliente com a vistoria de entrega de chaves, garantindo que ele receba um imóvel de qualidade, em perfeitas condições de uso, dentro dos padrões e normas estabelecidas.
A RDias Engenharia é uma empresa especializada em vistorias, levantamentos arquitetônicos e laudos de avaliação de imóveis. Trabalhamos com uma equipe de profissionais séria, comprometida com as diretrizes e normas, para entregar aos nossos clientes um trabalho sério com transparencia.
A versatilidade no atenimento é outra característica da RDias, que esta pronta para atender em toda a grande São Paulo. Entre em contato conosco!
Nossa Missão: Fornecer para os nossos clientes serviços com excelente qualidade com agilidade e responsabilidade.
Nossa Visão: Ser referência com serviços de qualidade em todo estado de São Paulo, atendedo aos clientes com respeito e pontualidade.
Nossos valores:
Honestidade,
Transparência,
Respeito ao cliente,
Comprometimento com a entrega.
Atendimento SP:
Fone: (11) 91028-7853
Nosso e-mail:
rrdias.engenharia@gmail.com